Магазин запчастей для бытовой техники - Arlos
Москва
close
Выберите ваш регион
АбаканАлександровАльметьевскАнгарскАрзамасАрмавирАртемАрхангельскАстраханьАчинскБалаковоБалашихаБеларусьБелгородБердскБерезникиБийскБлаговещенскБратскБрянскВеликий НовгородВидноеВладивостокВладикавказВладимирВолгоградВолгодонскВолжскийВологдаВолховВоркутаВоронежВоскресенскВыборгГатчинаГеленджикГрозныйДедовскДербентДзержинскДзержинскийДимитровградДмитровДолгопрудныйДомодедовоДонецкЕвпаторияЕгорьевскЕкатеринбургЕлецЕссентукиЖелезногорскЖелезнодорожныйЖуковскийЗеленоградЗлатоустИвановоИвантеевкаИжевскИркутскИстраЙошкар-ОлаКазаньКалининградКалугаКаменск-УральскийКамышинКаспийскКемеровоКерчьКировКисловодскКлинКовровКоломнаКомсомольск-на-АмуреКопейскКоролёвКостромаКотельникиКрасногорскКраснодарКраснознаменскКрасноярскКурганКурскКызылЛенинск-КузнецкийЛипецкЛобняЛыткариноЛюберцыМагнитогорскМайкопМалаховкаМахачкалаМиассМоскваМурманскМуромМытищиНабережные ЧелныНазраньНальчикНаро-ФоминскНахабиноНаходкаНевинномысскНефтекамскНефтеюганскНижневартовскНижнекамскНижний НовгородНижний ТагилНовокузнецкНовокуйбышевскНовомосковскНовороссийскНовосибирскНовоуральскНовочебоксарскНовочеркасскНовошахтинскНовый УренгойНогинскНорильскНоябрьскОбнинскОдинцовоОктябрьскийОмскОрелОренбургОрехово-ЗуевоОрскПавловский ПосадПензаПервоуральскПермьПетрозаводскПетропавловск-КамчатскийПодольскПрокопьевскПсковПушкиноПятигорскРаменскоеРеутовРостов-на-ДонуРубцовскРыбинскРязаньСакиСалаватСамараСанкт-ПетербургСаранскСаратовСевастопольСеверодвинскСеверскСергиев ПосадСерпуховСимферопольСмоленскСосновый БорСочиСтавропольСтарый ОсколСтерлитамакСтупиноСургутСызраньСыктывкарТаганрогТамбовТверьТихвинТольяттиТомилиноТомскТроицкТулаТюменьУлан-УдэУльяновскУссурийскУсть-ИлимскУфаУхтаФеодосияФрязиноХабаровскХанты-МансийскХасавюртХимкиЧебоксарыЧелябинскЧереповецЧеркесскЧеховЧитаШахтыЩелковоЭлектростальЭлистаЭнгельсЮжно-СахалинскЯкутскЯлтаЯрославль
  • - бесплатно по РФ
    Автоперезвон. Работает по принципу: Вы позвонили на номер, мы сбрасываем звонок и перезваниваем через 3 секунды.
  • - по Москве
  • 8 (925) 663-83-63

Call-центр

пн-вс: 10:00-19:00

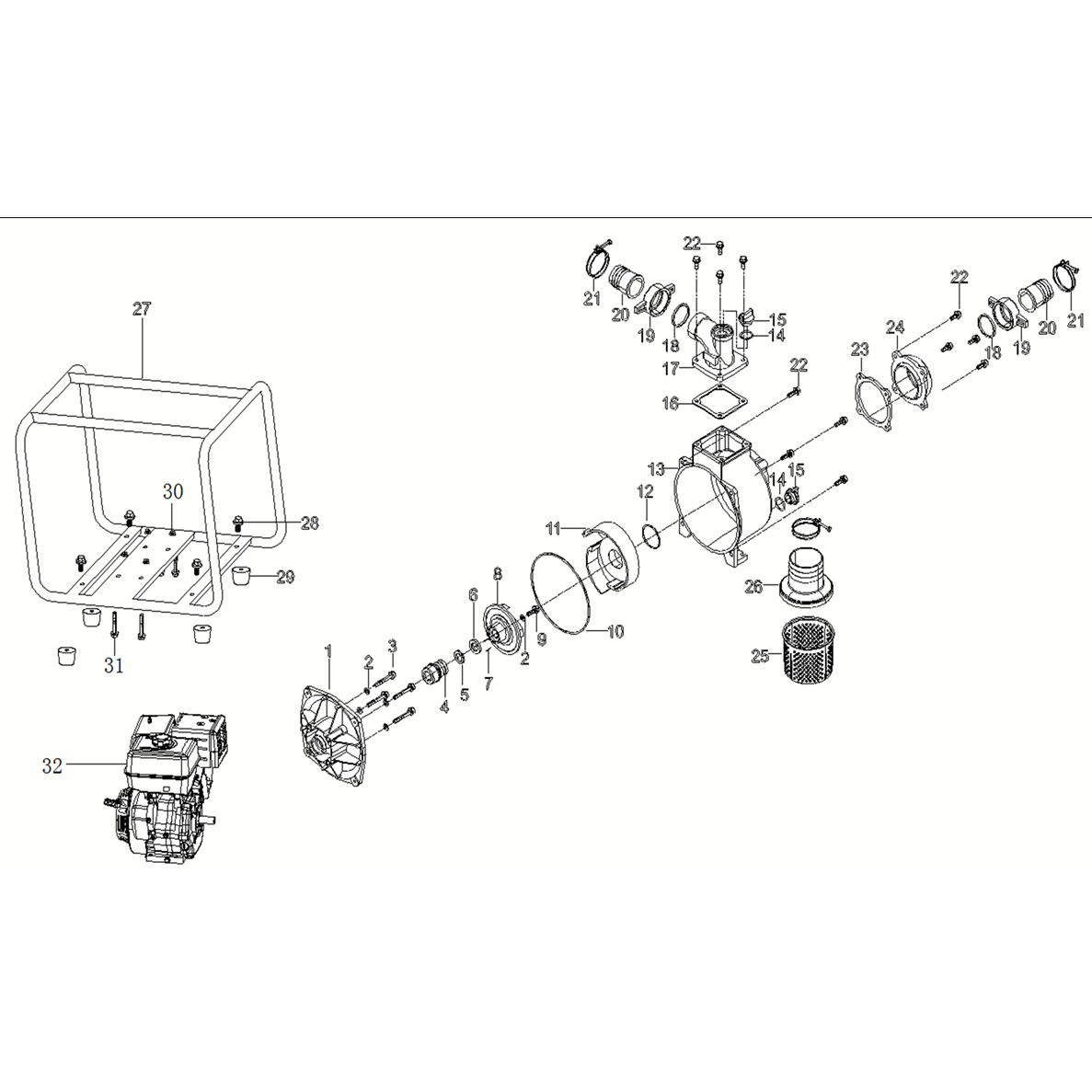
Мотопомпа бензиновая МП-600

Данная модель имеет несколько схем

NАртикулНазваниеСрок отгрузкиЦенаКупить
1.01 N000-038-275 Крышка корпуса насоса 830 р.
1.04-6 N000-038-276 Сальник керамический в сборе SB-20 189 р.
1.07 N000-038-277 Шпонка 5х5х18
1.08 N000-038-278 Колесо рабочее 731 р.
1.10 N000-038-279 Прокладка соединительная 43 р.
1.11 N000-038-280 Корпус рабочего колеса 571 р.
1.12 N000-038-281 Кольцо уплотнительное 43 р.
1.13 N000-038-282 Корпус насоса 1.128 р.
1.14 N000-038-283 Кольцо уплотнительное
1.15 N000-038-284 Пробка сливная-заливная
1.16 N000-038-285 Прокладка
1.17 N000-038-286 Фланец помпы выходной
1.18 N000-038-287 Кольцо уплотнительное 57х44х4
1.19 N000-038-395 Гайка фланца 2″ 539 р.
1.20 N000-038-288 Патрубок шланга 2″
1.21 N000-038-289 Хомут 2″
1.23 N000-038-290 Прокладка
1.24 N000-038-291 Фланец помпы входной
1.25 N000-038-292 Элемент фильтрующий D100х73 206 р.
1.26 N000-038-293 Крышка фильтра
1.27 N000-038-294 Рама
1.29 N000-038-295 Опора резиновая
1.32 N000-038-296 Двигатель ДВС 170F 23.078 р.
2.01 N000-032-294 Пружина тяги 108 р.
2.12 N000-038-297 Стартер в сборе 537 р.
2.14 V000-000-110 Выключатель зажигания 205 р.
2.19 N000-038-298 Маховик
2.22 N000-038-299 Магнето 456 р.
2.27 N000-038-300 Реле датчика масла 130 р.
2.33 N000-038-301 Регулятор оборотов центробежный
2.35 N000-038-302 Коленвал
2.36 N000-038-303 Поршень D70
2.37 N000-038-304 Поршневой палец
2.39 N000-038-305 Кольца поршневые (набор) 582 р.
2.45 N000-038-306 Распредвал в сборе
2.52 N000-038-307 Фильтр воздушный в сборе 454 р.
2.56 N000-038-308 Карбюратор 850 р.
2.67 N000-033-063 Свеча зажигания F7TC 276 р.
Найдено товаров: 38
1
▲ Наверх
0
8 (925) 663-83-63

Call-центр

пн-вс: 10:00-19:00

НАЙТИ ПО МОДЕЛИ
Введите номер заказа
Введите номер своего заказа, что бы узнать его текущий статус.
Что бы получить доступ к расширенным функциям, пройдите не сложную регистрацию. Зарегистрироваться