Магазин запчастей для бытовой техники - Arlos
Москва
close
Выберите ваш регион
АбаканАлександровАльметьевскАнгарскАрзамасАрмавирАртемАрхангельскАстраханьАчинскБалаковоБалашихаБеларусьБелгородБердскБерезникиБийскБлаговещенскБратскБрянскВеликий НовгородВидноеВладивостокВладикавказВладимирВолгоградВолгодонскВолжскийВологдаВолховВоркутаВоронежВоскресенскВыборгГатчинаГеленджикГрозныйДедовскДербентДзержинскДзержинскийДимитровградДмитровДолгопрудныйДомодедовоДонецкЕвпаторияЕгорьевскЕкатеринбургЕлецЕссентукиЖелезногорскЖелезнодорожныйЖуковскийЗеленоградЗлатоустИвановоИвантеевкаИжевскИркутскИстраЙошкар-ОлаКазаньКалининградКалугаКаменск-УральскийКамышинКаспийскКемеровоКерчьКировКисловодскКлинКовровКоломнаКомсомольск-на-АмуреКопейскКоролёвКостромаКотельникиКрасногорскКраснодарКраснознаменскКрасноярскКурганКурскКызылЛенинск-КузнецкийЛипецкЛобняЛыткариноЛюберцыМагнитогорскМайкопМалаховкаМахачкалаМиассМоскваМурманскМуромМытищиНабережные ЧелныНазраньНальчикНаро-ФоминскНахабиноНаходкаНевинномысскНефтекамскНефтеюганскНижневартовскНижнекамскНижний НовгородНижний ТагилНовокузнецкНовокуйбышевскНовомосковскНовороссийскНовосибирскНовоуральскНовочебоксарскНовочеркасскНовошахтинскНовый УренгойНогинскНорильскНоябрьскОбнинскОдинцовоОктябрьскийОмскОрелОренбургОрехово-ЗуевоОрскПавловский ПосадПензаПервоуральскПермьПетрозаводскПетропавловск-КамчатскийПодольскПрокопьевскПсковПушкиноПятигорскРаменскоеРеутовРостов-на-ДонуРубцовскРыбинскРязаньСакиСалаватСамараСанкт-ПетербургСаранскСаратовСевастопольСеверодвинскСеверскСергиев ПосадСерпуховСимферопольСмоленскСосновый БорСочиСтавропольСтарый ОсколСтерлитамакСтупиноСургутСызраньСыктывкарТаганрогТамбовТверьТихвинТольяттиТомилиноТомскТроицкТулаТюменьУлан-УдэУльяновскУссурийскУсть-ИлимскУфаУхтаФеодосияФрязиноХабаровскХанты-МансийскХасавюртХимкиЧебоксарыЧелябинскЧереповецЧеркесскЧеховЧитаШахтыЩелковоЭлектростальЭлистаЭнгельсЮжно-СахалинскЯкутскЯлтаЯрославль
  • - бесплатно по РФ
    Автоперезвон. Работает по принципу: Вы позвонили на номер, мы сбрасываем звонок и перезваниваем через 3 секунды.
  • - по Москве
  • 8 (925) 663-83-63

Call-центр

пн-вс: 10:00-19:00

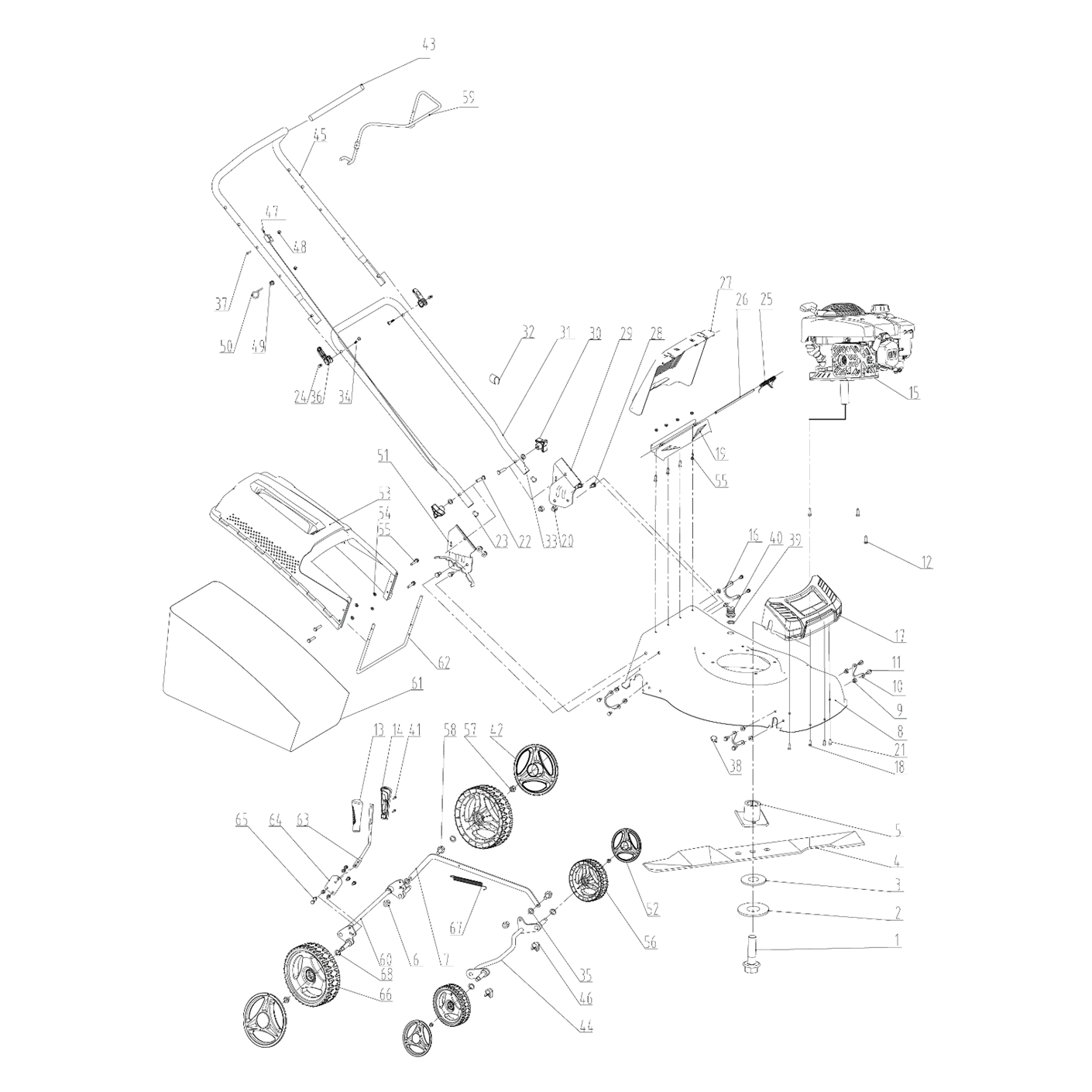
Газонокосилка бензиновая ГБ-460

Данная модель имеет несколько схем

NАртикулНазваниеСрок отгрузкиЦенаКупить
1.01 N000-033-963 Болт 3 / 8-24UNFX38
1.02 N000-033-964 Шайба
1.03 N000-033-965 Шайба ножа 286 р.
1.04 N000-034-093 Нож 460 мм для ГБ-460, ГБС-460 900 р.
1.05 N000-034-064 Держатель ножа
1.07 N000-034-094 Тяга регулировки высоты
1.08 N000-034-095 Дека
1.10 N000-034-096 Пластина крепления передней оси
1.13 N000-034-097 Ручка рычага левая
1.14 N000-034-098 Ручка рычага правая
1.15 N000-034-099 Двигатель DV150 19.393 р.
1.16 N000-034-100 Пластина крепления задней оси
1.17 N000-034-101 Накладка деки
1.19 N000-034-102 Подушка шасси
1.23 N000-034-103 Заглушка
1.25 N000-034-104 Пружина торсионная
1.26 N000-034-105 Ось задней крышки
1.27 N000-034-106 Крышка задняя
1.28 N000-034-107 Болт GB5783 M8X16
1.29 N000-034-108 Кронштейн левый
1.31 N000-034-109 Ручка нижняя
1.32 N000-034-110 Зажим
1.39 N000-034-111 Уплотнитель
1.40 N000-034-112 Штуцер шланга
1.42 N000-034-113 Колпак колеса
1.43 N000-033-993 Корпус толкателя
1.44 N000-034-114 Ось передняя
1.45 N000-034-076 Ручка верхняя
1.46 N000-034-115 Хомут
1.47 N000-034-116 Трос 405 р.
1.50 N000-034-117 Кронштейн
1.51 N000-034-118 Кронштейн правый
1.52 N000-034-119 Колпак колеса
1.53 N000-034-120 Крышка трабосборника верхняя
1.56 N000-034-121 Колесо пластиковое D175хd13х45 в сборе с подшипником 587 р.
1.59 N000-033-992 Рычаг пламени
1.60 N000-034-122 Ось задняя
1.61 N000-034-123 Травосборник текстильная часть
1.62 N000-034-124 Рама травосборника
1.63 N000-034-125 Регулятор высоты
1.64 N000-034-126 Пружина регулировки высоты
1.66 N000-034-127 Колесо пластиковое D250хd13х50 заднее в сборе с подшипником 888 р.
1.67 N000-034-128 Пружина регулировки высоты
2.01 N000-034-129 Картер
2.02 N000-033-997 Маятник
2.03 N000-033-998 Уплотнение маятниковое
2.04 N000-033-999 Магнето 1.068 р.
2.05 N000-034-001 Маховик 5.131 р.
2.06 N000-034-222 Крыльчатка маховика 236 р.
2.06 N000-034-222-2 Крыльчатка маховика 236 р.
2.07 N000-040-216 Храповик 264 р.
2.08 N000-034-004 Трубка
2.09 N000-034-005 Крышка головки блока цилиндров
2.10 N000-034-006 Кронштейн
2.12 N000-034-007 Крышка картера
2.13 N000-034-008 Теплоизолятор
2.14 N000-034-130 Карбюратор в сборе 1.696 р.
2.14 N000-034-130-2 Карбюратор в сборе 1.272 р.
2.15 N000-034-010 Крышка камеры возврата масла
2.16 N000-034-131 Поршень 65 мм
2.17 N000-034-132 Кольцо поршневое в сборе
2.18 N000-034-013 Палец поршневой 286 р.
2.19 N000-034-014 Кольцо стопорное 92 р.
2.20 N000-001-726-2 Свеча зажигания F7TC для газонокосилок 383 р.
2.21 N000-034-133 Щуп
2.22 N000-034-016 Направляющая для щупа
2.23 N000-034-017 Клапан впускной
2.24 N000-034-018 Колпачек маслосъемный
2.25 N000-034-019 Седло пружины впускного клапана
2.26 N000-034-020-2 Фильтр воздушный в сборе для газонокосилок 437 р.
2.26 N000-034-020 Фильтр воздушный в сборе с праймером. 478 р.
2.27 N000-034-021 Узел шестерни центробежного регулятора 212 р.
2.28 N000-034-022 Шатун в сборе
2.34 N000-034-023 Прокладка воздушного фильтра
2.35 N000-034-024 Прокладка 414 р.
2.36 N000-034-025 Прокладка карбюратора 226 р.
2.37 N000-034-026 Клапан выпускной
2.38 N000-034-027 Пружина клапана
2.39 N000-034-028 Подъемник клапана
2.40 N000-034-029 Шток клапана
2.41 N000-034-030 Вал коленчатый 3.875 р.
2.41 N000-034-030-2 Вал коленчатый
2.42 N000-034-031 Шайба
2.43 N000-034-032 Штифт
2.44 N000-034-134 Прокладка головки блока цилиндров
2.45 N000-034-135 Крышка цилиндра
2.46 N000-034-035 Сальник коленчатого вала 104 р.
2.47 N000-034-036 Сальник коленчатого вала 92 р.
2.48 N000-034-037 Шестерня ведущая 92 р.
2.49 N000-034-038 Топливопровод
2.51 N000-034-039 Пружина регулировки скорости
2.52 N000-034-040 Рычаг регулировки скорости
2.53 N000-034-041 Механизм тормоза 466 р.
2.54 N000-034-042 Пружина тормозная 189 р.
2.55 N000-034-043 Провод
2.56 N000-034-044 Регулятор скорости
2.57 N000-034-045 Распредвал в сборе
2.58 N000-034-046 Глушитель
2.59 N000-034-047 Коромысло
2.60 N000-034-048 Тяга дроссельной заслонки
2.61 N000-034-049 Бак
2.62 N000-034-050 Крышка топливного бака
2.63 N000-034-051 Зажим
2.64 N000-034-052 Коромысло
2.65 N000-034-053 Кронштейн
2.66 N000-034-054 Кронштейн
2.67 N000-034-055 Кожух двигателя 577 р.
2.67 N000-034-055-2 Кожух двигателя V2
2.68 N000-034-420 Стартер в сборе H124мм 1.309 р.
2.68 N000-034-420-2 Стартер в сборе для газонокосилок 1.020 р.
2.70 N000-034-057 Прокладка глушителя
2.74 N000-034-059 Труба впускная
2.77 N000-034-060 Крышка глушителя
2.79 N000-034-061 Фильтр топливный
2.80 N000-034-062 Зажим топливопровода
2.83 N000-040-126 Крышка двигателя верхняя
Найдено товаров: 116
1
▲ Наверх
0
8 (925) 663-83-63

Call-центр

пн-вс: 10:00-19:00

НАЙТИ ПО МОДЕЛИ
Введите номер заказа
Введите номер своего заказа, что бы узнать его текущий статус.
Что бы получить доступ к расширенным функциям, пройдите не сложную регистрацию. Зарегистрироваться